让制造赚钱更容易
T
让人干活更轻松
网站首页
关于默士尼
公司简介
我们价值
我们团队
我们客户
我们资质
新闻动态
产品中心
高端机床
数控转台
工装夹具
测量仪器
切削刀具
节能环保
解决方案
汽车行业解决方案
工业母机解决方案
半导体加工解决方案
柔性制造解决方案
企业管理咨询服务
联系我们
易链捷.工汇城
老易看智造专栏
网站首页
关于默士尼
公司简介
我们价值
我们团队
我们客户
我们资质
新闻动态
产品中心
高端机床
日本津上
台湾泷泽
日本小松
德国巨浪
日本尼得科
韩国SMART
数控转台
德国派士乐
台湾德士转台
韩国三千里
工装夹具
韩国三千里
日本乐力嘉
瑞士特瑞格
测量仪器
英国雷尼绍
志宇主轴测量仪
切削刀具
德国玛帕刀具
小胖蜂智能刀具柜
意大利斯波尼对刀仪
节能环保
大连元利高压单元
默士尼节能液压站
解决方案
汽车行业解决方案
工业母机解决方案
半导体加工解决方案
柔性制造解决方案
企业管理咨询服务
联系我们
易链捷.工汇城
老易看智造专栏
产品中心
Product Center
您当前所在的位置:
首页
>
产品中心
>
工装夹具
>
韩国三千里
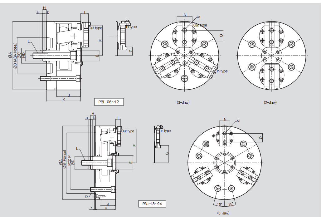
韩国三千里PDL通用锁止球卡盘
类别:韩国三千里
联系方式
文件下载
技术参数
上一条:韩国三千里JBM/JBH自修环卡盘
下一条:韩国三千里DP薄膜卡盘
返回